Đai Ốc Vitme Bi SFAR02010C1D Chính Hãng TBI MOTION Đài Loan
Giới thiệu về Đai Ốc Vitme Bi SFAR02010C1D TBI MOTION
Đai ốc vitme bi SFAR02010C1D thuộc dòng SFA – End Cap Return High Speed Series của TBI MOTION (Đài Loan) – thương hiệu uy tín toàn cầu trong lĩnh vực vitme bi, đai ốc bi và linh kiện dẫn truyền chuyển động chính xác.
Sản phẩm nổi bật với thiết kế hồi bi qua nắp chặn (End Cap Return), cho phép vitme vận hành ở tốc độ cao, độ ồn thấp và giá trị Dm-N lớn, đặc biệt phù hợp cho các ứng dụng yêu cầu tốc độ và độ chính xác cao. Cấu trúc hồi bi độc quyền giúp duy trì chuyển động mượt mà ngay cả với bước tiến lớn, đồng thời đảm bảo không rơ (No Backlash), độ cứng vững cao và tuổi thọ bền bỉ.
Bên cạnh đó, thiết kế tăng cường khả năng chống bụi giúp SFAR02010C1D hoạt động ổn định trong môi trường công nghiệp liên tục, đáp ứng đa dạng lựa chọn về đường kính và bước vít cho nhiều nhu cầu kỹ thuật khác nhau.
Sản phẩm được Thuận Thảo Group phân phối chính hãng tại Việt Nam, cam kết CO/CQ đầy đủ, hàng lưu kho sẵn, hỗ trợ giao nhanh toàn quốc, đáp ứng kịp thời cho các dự án CNC, tự động hóa và thiết bị chính xác cao.
Đai Ốc Vitme Bi SFAR02010C1D TBI MOTION – Phiên Bản Mới Nhất - Cải Tiến Thay Thế Dòng SFS, SFH, SFNH Gạt Bụi Hiệu Quả Hơn
Đai Ốc Vitme Bi SFAR02010C1D TBI MOTION là phiên bản cải tiến thay thế cho dòng SFSR02010C1D , SFHR02010C1D , SFNHR02010C1D trước đây. TBI MOTION đã ngừng sản xuất dòng SFS , SFH , SFNH từ nhiều năm và nâng cấp lên dòng SFA với thiết kế tối ưu hơn.
Điểm nổi bật của SFA là ron gạt bụi cải tiến ở cả hai đầu, giúp khả năng chống bụi và bảo vệ bi vượt trội, hiệu quả hơn so với vòng nhựa trắng thế hệ cũ, từ đó nâng cao độ bền, độ ổn định và tuổi thọ trong quá trình vận hành.



Ưu điểm nổi bật của Đai Ốc Vitme Bi SFAR02010C1D TBI MOTION
1. Độ tin cậy cao
- TBI MOTION áp dụng các tiêu chuẩn kiểm soát chất lượng nghiêm ngặt trong mọi quy trình sản xuất. Khi sử dụng đúng cách và bôi trơn đầy đủ, SFA01610 đảm bảo vận hành trơn tru, ổn định trong thời gian dài.
2. Độ bền vượt trội
Vitme bi TBI MOTION được chế tạo từ vật liệu chọn lọc nghiêm ngặt, kết hợp công nghệ xử lý nhiệt và gia công chuyên sâu, dựa trên nhiều năm kinh nghiệm sản xuất. Nhờ đó, sản phẩm đạt độ bền cao, khả năng chịu tải lớn và tuổi thọ dài, đáp ứng tốt các yêu cầu vận hành liên tục trong môi trường công nghiệp khắc nghiệt.

Nhờ cấu trúc vật liệu tối ưu và độ cứng cao đồng bộ giữa trục, đai ốc và bi thép, vitme bi TBI MOTION có khả năng chống mài mòn vượt trội, vận hành ổn định và duy trì độ chính xác lâu dài, đặc biệt phù hợp cho máy CNC, thiết bị tự động hóa và hệ thống yêu cầu độ tin cậy cao.
-
Trục vitme (Screw):
Thép carbon cao / Thép hợp kim Crom – Molypden
Độ cứng: HRC 58 – 64 -
Đai ốc vitme (Nut):
Thép hợp kim Crom – Molypden
Độ cứng: HRC 58 – 62 -
Bi thép (Steel Ball):
Thép hợp kim Crom – Molypden
Độ cứng: ≥ HRC 62
3. Tốc độ cao - Độ ồn thấp
- Dòng SFA sử dụng thiết kế hồi bi End Cap, cho phép vitme vận hành ở tốc độ cao, độ ồn thấp và giá trị Dm-N lớn. Thiết kế hồi bi tối ưu giúp duy trì chuyển động mượt mà ngay cả khi bước vít lớn, đặc biệt phù hợp cho các ứng dụng CNC và máy tốc độ cao.
4. Độ cứng cao - Không rơ
-
Đai ốc vitme bi SFAR02010C1D được thiết kế không backlash, kết hợp tải trước tối ưu giúp tăng độ cứng vững toàn hệ thống. Nhờ đó, vitme vừa đạt độ chính xác cao, vừa đảm bảo vận hành ổn định, giảm rung động trong các ứng dụng yêu cầu độ chính xác cao.
5. Cấp chính xác C7 - Hàng sẵn kho
-
Giá tốt, phù hợp đơn vị chế tạo máy.
-
Có sẵn tại kho Thuận Thảo Group, giao nhanh toàn quốc.
-
Vitme bi TBI MOTION được lưu kho sẵn cấp chính xác C7, với sai số ±50 µm / 300 mm, đáp ứng tốt các ứng dụng CNC và tự động hóa yêu cầu độ ổn định cao.
-

6. Thiết kế End Cap hồi bi - Chống bụi tốt
-
Thiết kế hồi bi End Cap giúp tăng khả năng chống bụi, nâng cao độ ổn định khi làm việc trong môi trường công nghiệp. Cấu trúc gọn gàng, tối ưu không gian lắp đặt và phù hợp cho các hệ thống chuyển động tốc độ cao.
-

-
7. Ứng dụng đa dạng
Đai ốc vitme bi SFAR02010C1D TBI MOTION phù hợp cho:
-
Máy CNC tốc độ cao, trung tâm gia công
-
Tự động hóa nhà máy, robot công nghiệp
-
Thiết bị y tế, cơ khí chính xác
-
Ngành bán dẫn và các ứng dụng yêu cầu độ chính xác cao
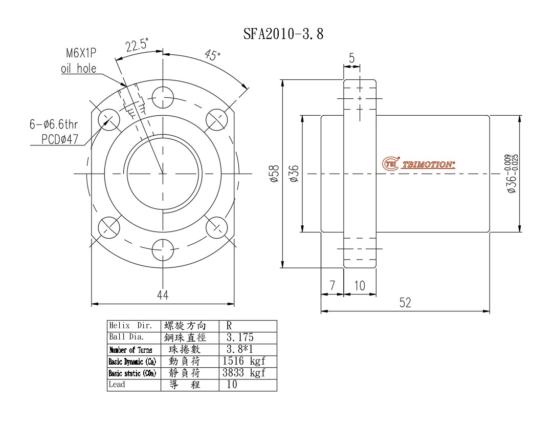
Thông số kỹ thuật Đai Ốc Vitme Bi SFAR02010C1D TBI MOTION

-
Mã sản phẩm: SFAR02010C1D
-
Hãng sản xuất: Chính hãng TBI MOTION Đài Loan
-
Đường kính thanh vitme bi: 20 mm
-
Bước: 10 mm
-
Đường kính thân Đai ốc: 36 mm
-
Đường kính mặt bích Đai ốc: 58 mm
-
Đường kính qua tâm lỗ bắt vít: 47 mm
-
Độ dài Đai ốc: 52 mm
-
Vật liệu Trục vitme (Screw): Thép carbon cao / Thép hợp kim Crom – Molypden, Độ cứng: HRC 58 – 64
-
Vật liệu Đai ốc vitme (Nut): Thép hợp kim Crom – Molypden, Độ cứng: HRC 58 – 62
-
Bi thép (Steel Ball): Thép hợp kim Crom – Molypden, Độ cứng: ≥ HRC 62
-
Ứng dụng: Máy CNC, thiết bị tự động hóa, dây chuyền sản xuất, robot công nghiệp…
TBI MOTION – Thương hiệu toàn cầu uy tín
TBI MOTION là nhà sản xuất chuyên nghiệp các sản phẩm dẫn truyền: thanh trượt vuông, con trượt vuông, vitme bi, đai ốc, bạc trượt, khớp nối…
Sản phẩm được phân phối rộng rãi tại nhiều quốc gia, đạt chứng nhận ISO 9001:2008, khẳng định chất lượng quốc tế.
Vì sao nên chọn Thuận Thảo Group khi mua TBI MOTION ?

.png)
.png)
-
Phân phối chính hãng: Nhập khẩu trực tiếp từ nhà máy TBI MOTION Đài Loan, đảm bảo hàng thật 100%.
-
Thanh vitme bi lưu kho dài 4m đến 6m: cắt miễn phí theo độ dài yêu cầu.
-
Đầy đủ CO/CQ: Xác thực nguồn gốc xuất xứ và chất lượng sản phẩm.
-
Chống hàng nhái: Thị trường hiện có nhiều hàng giả, hàng kém chất lượng. Mua tại Thuận Thảo Group giúp bạn yên tâm tuyệt đối.
-
Kho lớn, đa dạng: Đáp ứng nhanh mọi nhu cầu sản xuất, chế tạo máy.
-
Giá sát gốc, hỗ trợ kỹ thuật: Tối ưu chi phí và đồng hành cùng khách hàng trong quá trình sử dụng.
.png)
.png)
.png)
Kết luận
Đai ốc vitme bi SFAR02010C1D TBI MOTION Đài Loan là lựa chọn tối ưu cho các ứng dụng tốc độ cao, yêu cầu độ chính xác ổn định, vận hành êm ái, độ cứng vững lớn và tuổi thọ bền bỉ. Với thiết kế hồi bi End Cap hiện đại, sản phẩm đáp ứng hiệu quả các hệ thống CNC, tự động hóa và cơ khí chính xác.
Liên hệ Thuận Thảo Group – Nhà phân phối chính hãng TBI MOTION tại Việt Nam để được tư vấn kỹ thuật chi tiết, cung cấp CO/CQ đầy đủ và báo giá tốt nhất.












