Con Trượt Vuông TRH35FE Chính Hãng TBI MOTION Đài Loan
Giới thiệu về Con Trượt Vuông TRH35FE TBI MOTION
Con trượt vuông TRH35FE dòng TRH-F là sản phẩm chính hãng của thương hiệu TBI MOTION Technology Co., Ltd. (Đài Loan) – nhà sản xuất hàng đầu trong lĩnh vực linh kiện dẫn truyền chuyển động.
Dòng TRH-F được thiết kế lắp ráp cao, mặt bích có cánh rộng loại dài, mang lại hiệu suất vận hành ổn định, tuổi thọ cao và độ chính xác vượt trội. Đây là giải pháp tối ưu cho các hệ thống máy CNC, thiết bị tự động hóa và robot công nghiệp.
Sản phẩm hiện được phân phối chính hãng tại Việt Nam bởi THUẬN THẢO GROUP, kèm đầy đủ CO/CQ chứng thực nguồn gốc và chất lượng.
Ưu điểm nổi bật của Con Trượt Vuông TRH35FE TBI MOTION
1. Chuyển động mượt mà, đa hướng
- Thiết kế 4 rãnh bi hướng tâm 45°, vận hành ổn định theo nhiều hướng: ngang, dọc, thẳng đứng hoặc treo ngược.
	
2. Độ ổn định và độ bền vượt trội
- Thanh trượt vuông: thép S55C, xử lý nhiệt cao tần, độ cứng rãnh bi 58 – 62 HRC.
- Con trượt vuông: thép hợp kim SCM420H, sau nhiệt luyện đạt độ cứng 58 – 62 HRC.
- Bi nhập khẩu từ Ý, độ cứng 60 HRC, tăng tuổi thọ và khả năng chịu tải.
	
3. Độc quyền thiết kế - Lắp đặt tiện lợi
- 
		Bằng sáng chế độc quyền của TBI MOTION giúp tăng độ sâu của vật liệu, cải thiện độ ổn định. 
- 
		Thiết kế mặt bích có cánh giúp có thể bắt vít từ trên xuống hoặc dưới lên tùy nhu cầu. 
- 
		Dễ lắp đặt, thay thế, tiết kiệm thời gian bảo dưỡng. 
4. Tính phổ biến và sẵn hàng
- 
		Giá tốt, phù hợp đơn vị chế tạo máy. 
- 
		Có sẵn tại kho Thuận Thảo Group, giao nhanh toàn quốc. 
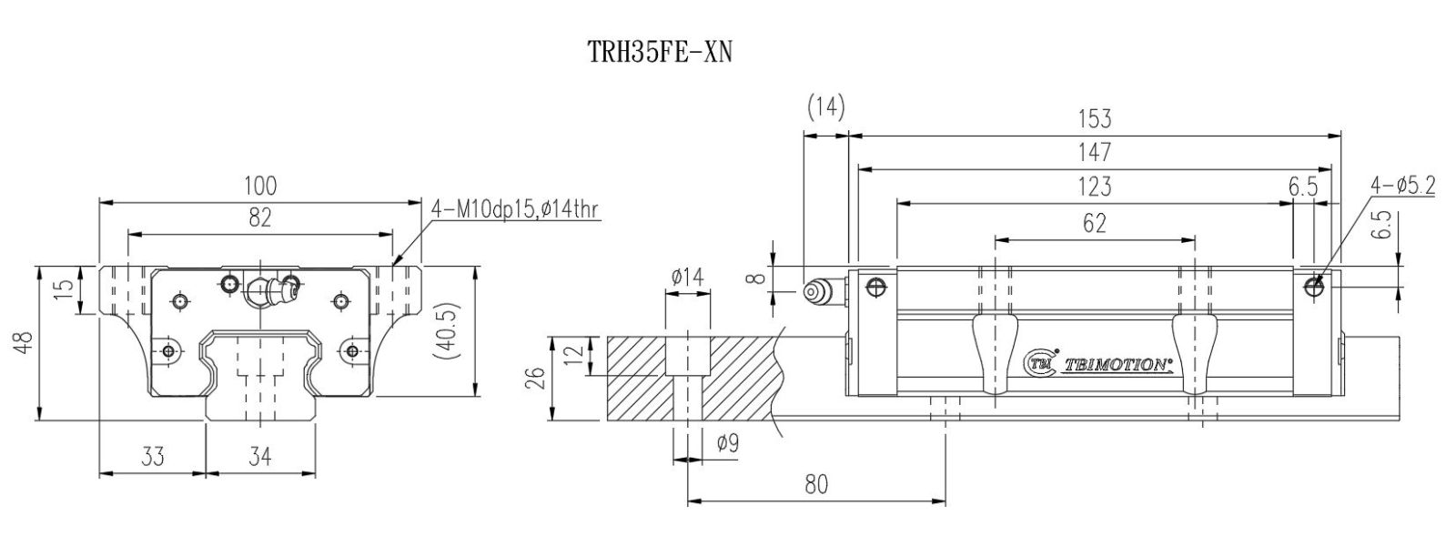
Thông số kỹ thuật Con Trượt Vuông TRH35FE TBI MOTION
	
- 
		Mã sản phẩm: TRH35FE 
- 
		Dòng sản phẩm: TRH-F (thiết kế dòng cao, có cánh, loại dài) 
- 
		Kích thước ray trượt: 34 mm 
- 
		Góc tiếp xúc bi: 45° – hỗ trợ tải đa hướng 
- 
		Độ cứng rãnh bi: 58 – 62 HRC 
- 
		Vật liệu ray: Thép S55C, xử lý nhiệt cao tần 
- 
		Vật liệu con trượt: Thép SCM420H, nhiệt luyện cao tần 
- 
		Bi: Nhập khẩu từ Ý, độ cứng 60 HRC 
- 
		Ứng dụng: Máy CNC, thiết bị tự động hóa, dây chuyền sản xuất, robot công nghiệp… 
TBI MOTION – Thương hiệu toàn cầu uy tín
	TBI MOTION là nhà sản xuất chuyên nghiệp các sản phẩm dẫn truyền: thanh trượt vuông, con trượt vuông, vitme bi, đai ốc, bạc trượt, khớp nối…
	Sản phẩm được phân phối rộng rãi tại nhiều quốc gia, đạt chứng nhận ISO 9001:2008, khẳng định chất lượng quốc tế.
Vì sao nên chọn Thuận Thảo Group khi mua TBI MOTION ?
	
.png)
.png)
- 
		Phân phối chính hãng: Nhập khẩu trực tiếp từ nhà máy TBI MOTION Đài Loan, đảm bảo hàng thật 100%. 
- 
		Thanh trượt lưu kho dài 4m: cắt miễn phí theo độ dài và tâm lỗ yêu cầu. 
- 
		Đầy đủ CO/CQ: Xác thực nguồn gốc xuất xứ và chất lượng sản phẩm. 
- 
		Chống hàng nhái: Thị trường hiện có nhiều hàng giả, hàng kém chất lượng. Mua tại Thuận Thảo Group giúp bạn yên tâm tuyệt đối. 
- 
		Kho lớn, đa dạng: Đáp ứng nhanh mọi nhu cầu sản xuất, chế tạo máy. 
- 
		Giá sát gốc, hỗ trợ kỹ thuật: Tối ưu chi phí và đồng hành cùng khách hàng trong quá trình sử dụng. 
	

.png)
Kết luận
Con Trượt Vuông TRH35FE dòng TRH-F chính hãng TBI MOTION Đài Loan là lựa chọn lý tưởng cho các doanh nghiệp cần sản phẩm vận hành trơn tru, ma sát thấp, chính xác và bền bỉ.
Hãy liên hệ ngay với Thuận Thảo Group – Nhà phân phối chính hãng TBI MOTION tại Việt Nam để nhận tư vấn chi tiết và báo giá tốt nhất.
	
	
	
 
                                         
                                         
                                         
                                         
                                         
                                         
                                        



































































 

